產品概述
該機主要應用于方形不銹鋼周轉料斗的提升和加料。可與壓片機、混合機、制粒機等設備配套使用。廣泛應用于制藥、化工、食品等行業中。
400-822-0082
在線聯系



|
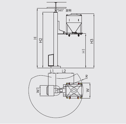
型號
|
結構尺寸
|
凈負載
Kg
|
提升功率KW
|
||||||||
|
H
|
H1
|
H2
|
H3
|
W
|
W1
|
R
|
L1
|
L2
|
|||
|
LDT200
|
>3500
|
2500
|
3500
|
3350
|
600
|
700
|
1600
|
550
|
800
|
160
|
1.5
|
|
LDT400
|
>3800
|
2500
|
3800
|
3630
|
800
|
700
|
1800
|
550
|
1000
|
320
|
1.5
|
|
LDT600
|
>3800
|
2500
|
3800
|
3690
|
1000
|
700
|
2000
|
550
|
1100
|
480
|
2.2
|
|
LDT800
|
>4000
|
2500
|
4000
|
3890
|
1000
|
750
|
2000
|
600
|
1100
|
640
|
2.2
|
|
LDT1000
|
>4200
|
2500
|
4000
|
3990
|
1200
|
750
|
2100
|
600
|
1300
|
800
|
3
|
|
LDT1200
|
>4200
|
2500
|
4200
|
4130
|
1200
|
750
|
2100
|
600
|
1300
|
960
|
3
|
|
LDT1500
|
>4600
|
2500
|
4400
|
4340
|
1200
|
750
|
2100
|
650
|
1300
|
1200
|
3
|
|
LDT2000
|
>4800
|
2500
|
4600
|
4620
|
1200
|
750
|
2100
|
650
|
1300
|
1600
|
3
|
|
LDT2500
|
>4500
|
2000
|
4200
|
4400
|
1400
|
750
|
2200
|
700
|
1350
|
2000
|
3
|
|
LDT3000
|
>4800
|
2000
|
4200
|
4650
|
1400
|
750
|
2200
|
700
|
1350
|
2400
|
3
|
上一篇:JQX系列在位簡易清洗泵站
下一篇:CJT系列層間提升機
2025 年 5 月 21-23 日,第 92 屆中國國際醫藥原料藥 / 中間體 / 包裝 / 設備交易會(API China)將在廣州?中國進出口商品交易會…